864-876-2011
C-S8MX15

C-S8MX15

Price: $83.48
per pcs
Stock in Hand:105

Quick Overview

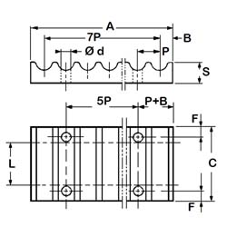
1-008-C-S8MX15 Ametric® Part Number


263705 SKU No.


Timing Belt Clamping Plate

S8 Profile

15 mm Belt Width (L)

8 mm (F)

9 mm Hole Diameter (d)

5 mm (B)

66 mm Long (A)

15 mm High (S)

40 mm Clamp Width (C )

0.59 Inch Belt Width (L)

0.31 Inch (F)

0.35 Inch Hole Diameter (d)

0.2 Inch (B)

2.6 Inch Long

(A)

0.59 Inch High (S)

1.57 Inch Clamp Width (C )

Product Description

SUPER TORQUE CLAMPING PLATE
All orders placed on this website are handled entirely by computers. Be aware that all web orders may take up to 3 days to process!! If you need your order to ship more quickly email: csr@ametric.com
Loading...