Your shopping cart is currently empty.

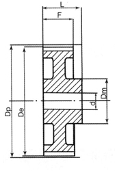
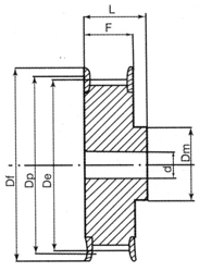
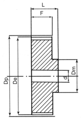
Minimum Plain Bore
XL Pitch (1/5 inch)
Part Number Example:
20XL100
20 = No. Teeth
XL = 1/5 inch Pitch
100 = 1.00 Inch Belt Width
PDF - Pulley-Timing-AmericanStandardMXL-XHMinimumPlainBore.pdf
58 Item(s)