Your shopping cart is currently empty.

| 25 |
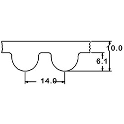
14M |
OE |
K | PAR |
100M |
| 25 = 25 mm Wide |
| |
14M = 14 mm Pitch HTD Profile |
| |
|
OE = Open Ended Belting |
| |
|
|
K = Kevlar Cords S = Steel Cords |
| |
|
|
|
PAZ = Nylon Tooth Facing PAR = Nylon Back Facing |
| |
|
|
|
|
100M = 100 meter Roll |
13 Item(s)