Your shopping cart is currently empty.

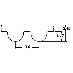
3M Tooth Profile
3 mm Pitch
1.17 mm Depth of Tooth
2.4 mm Belt Thinkness
Part Number = Length-Profile-width- in mm
Example 3393M9 (339 mm long 3M Profile 9 mm wide)
PDF - Belts-Timing-HTDNeoprene.pdf
491 Item(s)