DIN 8187
ISO 606 B
BS 228
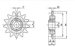
Part Number Example:
52 ID 17
52 = Ametric® 52 Sprocket (10 B-1 ISO Roller Chain Sprocket)
ID = Idler (FW = Free Wheel) (TS = Tension Sprocket)
17 = 17 teeth
16 Item(s)